Análisis, selección e implementación
de la turbina de un turbocompresor
para su acoplamiento en el prototipo
de planta OTEC-CC-MX-1kWe
Daniel Alejandro Amaro Rosas
https://orcid.org/0000-0002-6507-8592
Enrique Alberto Avilés Encalada
https://orcid.org/0000-0003-3651-6124
Luis Melesio García Juárez
https://orcid.org/0000-0002-8223-6345
Jarmen Said Virgen Suárez
https://orcid.org/0000-0003-4153-9451
Universidad del Caribe, Facultad de Ingeniería, Cancún, México
Recibido: 31 de mayo del 2021 / Aprobado: 2 de julio del 2021
doi: https://doi.org/10.26439/ing.ind2022.n.5814
RESUMEN. Se propone implementar la turbina de un turbocompresor al prototipo de planta OTEC para generar 1 kWe. Se definió el radio como parámetro físico para la selección del turbocompresor, se seleccionó el tipo de acoplamiento y se realizaron pruebas en la turbina mediante un compresor de aire. Se obtuvo un máximo de 3400 rpm, generando 1255,2 We, según datos del proveedor. Así se comprueba que acoplar la turbina de un turbocompresor es técnicamente viable.
PALABRAS CLAVE: turbocompresores / acoplamientos / energía eléctrica
Correos electrónicos en orden de aparición: [email protected], [email protected], [email protected], [email protected]
Analysis, selection and implementation of the turbine
of a turbocharger for its coupling in the OTEC-CC-MX-1kWe
prototype plant
ABSTRACT. It is proposed to implement a turbocharger turbine to the OTEC plant prototype to generate 1 kWe. The radius was defined as a physical parameter for the turbocharger selection, the type of coupling was selected, tests were carried out on the turbine using an air compressor, obtaining a maximum of 3400 rpm, generating 1255,2 We, according to data from supplier, proving that coupling the turbine of a turbocharger is technically feasible.
KEYWORDS: turbochargers / couplings / electric power
INTRODUCCIÓN
La humanidad ha tenido la obligación de implementar fuentes de energía alternas para satisfacer sus necesidades. El uso excesivo de combustibles fósiles y gas natural ha provocado un aumento en la temperatura media global y con ello el cambio climático, por lo que en la actualidad se busca utilizar fuentes de energía limpia para mitigar estos efectos.
Garduño et al. (2017) mencionan que una fuente potencial de energía limpia es la del gradiente térmico de los océanos, la cual ha sido estudiada desde finales del siglo pasado. El sistema de conversión de energía térmica oceánica (OTEC, por sus siglas en inglés) utiliza para su funcionamiento el ciclo termodinámico Rankine (cerrado) para generar electricidad. Las plantas OTEC de ciclo cerrado están compuestas por cuatro equipos principales: (i) condensador, (ii) evaporador, (iii) bomba y (iv) turbina. En diferentes partes del mundo se han desarrollado prototipos de planta OTEC y algunas de ellas siguen en funcionamiento. Por su parte, la Universidad del Caribe está elaborando un prototipo de planta OTEC de ciclo cerrado con el objetivo de generar 1 kWe; sin embargo, aún no se encuentra en funcionamiento, debido a que no cuenta con la turbina diseñada para el sistema.
De acuerdo con Wong et al. (2013), el turboexpansor es el componente más caro de todo el sistema. Por ello, investigan el rediseño y adecuación de un turbocompresor para un sistema ORC de 1 kWe. El Instituto de Ingeniería, Desalación y Energías Alternas (IIDEA) busca generar energía eléctrica aprovechando los recursos geotérmicos mediante un ciclo binario de evaporación instantánea (CBEI). El CBEI desarrollado contaba con el diseño de una turbina de vapor para su implementación en el sistema; sin embargo, se indagó por un sistema alternativo que cumpliera la misma función que la turbina de vapor; por eso, se llevó a cabo el acoplamiento de un turbocompresor a dicho ciclo para realizar las pruebas correspondientes con el objetivo de generar 1 kW de potencia (Mora, 2016). En este sentido, Domínguez (2016) realizó un análisis de las propiedades termomecánicas del material de la microturbina a partir de su geometría y condiciones ideales de operación para obtener un modelo simplificado que ayude a visualizar en primera instancia la distribución de los esfuerzos presentes en el rotor durante su comportamiento dentro del CBEI. Finalmente, Campos (2017) presenta el diseño y construcción de una turbina de vapor en laboratorio adaptándola a un generador eléctrico, el cual está basado principalmente en turbinas de generación industrial debido a la escasa información en potencias menores a 1 kW. Está diseñada para poder ser utilizada, en menor escala, en cualquier aplicación de una máquina térmica rotatoria. La mayoría de las piezas son metálicas, a excepción de algunos empaques y juntas de polímeros especiales para altas temperaturas.
En el presente artículo, se plantea utilizar la turbina de un turbocompresor para realizar las pruebas de generación de energía eléctrica. Para ello se realizó una investigación de proyectos similares, así como sobre los elementos necesarios para la generación de energía eléctrica y los sistemas de acoplamiento que existen para unir la turbina con el alternador. De esta manera, se puede probar que una turbina de turbocompresor es capaz de funcionar en el prototipo de planta OTEC y alcanzar una generación de 1 kWe.
Problemática
La turbina tipo Curtis, que se puede observar en la figura 1, fue diseñada específicamente para el prototipo de planta OTEC-CC-MX-1kWe con el objetivo de alcanzar la generación de 1 kWe. Actualmente, se encuentra en proceso de manufactura en la empresa Todo Inoxidable S. A. de C. V. en Cancún, Quintana Roo. Las partes móviles están hechas de aluminio, pues este material presenta menor resistencia al movimiento rotatorio y una alta resistencia a la corrosión; mientras que las partes fijas son de acero inoxidable.
Sin embargo, debido al tamaño de la turbina: 403 mm × 28,3 mm × 25,6 mm (Cerezo et al., 2019), los costos de fabricación son elevados en comparación con las turbinas comerciales. Además, la manufactura de la turbina ha tenido grandes retrasos por diferentes aspectos ajenos, por lo que se ha extendido el plazo de entrega de la misma y hasta la fecha aún no se encuentra terminada; por tanto, aún no se han podido hacer las pruebas correspondientes con el prototipo de planta OTEC.
Figura 1
Diagrama 3D de la turbina de prototipo OTEC-CC-1kWe

Nota. De Análisis del funcionamiento y eficiencia de una turbina de conversión de energía térmica oceánica (OTEC) por simulación mediante el programa ANSYS Fluent (p. 25), por L. M. Brito et al., 2019, Universidad del Caribe.
Hipótesis
El prototipo de planta OTEC-CC-MX-1kWe fue diseñado con una turbina especial para alcanzar 1 kWe. Sobre esta base surgen las siguientes preguntas:
• ¿La turbina de un turbocompresor puede sustituir a la turbina diseñada para el prototipo?
• ¿Cuáles son las variables involucradas en el análisis físico de la turbina del turbocompresor que se escogerá para el prototipo?
• ¿Es necesario realizar modificaciones al prototipo para integrar la turbina de un turbocompresor?
La implementación de la turbina de un turbocompresor comercial al prototipo de planta OTEC-CC-MX-1kWe permitirá sustituir a la turbina diseñada originalmente para el prototipo, propiciando la realización de las pruebas de funcionamiento correspondientes para la generación de 1 kWe.
METODOLOGÍA
Para la selección e implementación del turbocompresor en un sistema OTEC, se adecuó y modificó la metodología de Wong et al. (2013), utilizada para la selección y adaptación de un turbocargador a un turboexpansor para un ciclo orgánico Rankine, de acuerdo con las necesidades requeridas del proyecto (véase la figura 2).
Figura 2
Metodología para selección y adaptación de un turbocompresor para el prototipo de planta OTEC-CC-MX-1kWe

Nota. Elaboración propia con información obtenida de la metodología de Wong et al. (2013).
Análisis para la selección del turbocompresor
Cabe señalar que se plantea la obtención de 1250 W de potencia de flecha, ya que los alternadores tienen una eficiencia que va desde un 80 % hasta un 95 % (Labollita, 2008); de esta manera, se obtiene 1 kWe en el peor de los casos. Para la selección del turbocompresor, se consideraron las condiciones físicas teóricas del fluido de trabajo a la entrada y salida de la turbina del prototipo OTEC-CC-MX-1kWe (véase la tabla 1).
Condiciones del fluido de trabajo a la entrada y salida de la turbina

Nota. De Desarrollo de prototipos y microplantas para la obtención y almacenamiento de energía a partir de gradientes de temperatura específicamente diseñados (p. 12), por A. E. Cerezo et al., 2018.
Balance de energía y determinación de trabajo de flecha
Se realizó el balance de energía para determinar el trabajo de flecha que necesita generar la turbina del turbocompresor para otorgar la potencia de salida requerida por el generador eléctrico para alcanzar 1 kWe.
Como el prototipo OTEC es un sistema cerrado, la energía de entrada
es igual a la energía de salida
. Çengel y Cimbala (2018) señalan que, en el análisis de energía de los flujos estacionarios, la razón de cambio respecto al tiempo del contenido de energía del volumen de control es cero, de lo cual se deducen las ecuaciones 1 y 2.

Debido a que la diferencia de alturas entre la entrada y la salida de la turbina es despreciable, la ecuación 2 se reduce a la ecuación 3.

El flujo másico es constante en la entrada y la salida de la turbina
, por ser un sistema cerrado. Entonces, la potencia a la salida de la turbina del fluido
queda definida por la ecuación 4.

De esta forma, el trabajo de flecha de la turbina
se expresa en la ecuación 5, considerando la eficiencia de la turbina
.

Determinación del momento angular
Asimismo, se determinaron las ecuaciones de momento angular para posteriormente determinar el torque.
El momento angular
, según Serway y Jewett (2008), es dependiente del vector posición
y del vector cantidad de movimiento
.

Ya que
es una masa
que se mueve a cierta velocidad
, se puede representar con la ecuación 7.

Sustituyendo la ecuación 6 en la ecuación 7, se obtiene la ecuación 8 para
.

Como cuarto paso, se determinó el torque; posteriormente, el radio de la turbina del turbocompresor; y, consecuentemente, el número de revoluciones por minuto (N) necesarias para conseguir el
que se desea.
El torque o momento par
de cualquier sistema, según Serway y Jewett (2008), está dado por la ecuación 9.

El vector posición depende de dos variables:
. Al desarrollar las derivadas parciales y sustituyendo lo deducido en la ecuación 8, se obtuvo la ecuación 10 para la determinación de
.

En el primer término de la ecuación 10,
, la derivada parcial del vector posición con respecto al tiempo da como resultado el vector velocidad,
y el resultado del producto cruz entre
y
es igual a 0 por tratarse de vectores paralelos. En el segundo término de la ecuación 10,
, la derivada parcial del vector velocidad da como resultado el vector aceleración
y el resultado de multiplicar la masa por el vector aceleración es el vector fuerza
. Simplificando la ecuación 10 en la ecuación 11:

La magnitud del producto cruz de la ecuación 11 se define, según Hibbeler (2010), como la ecuación 12, donde el ángulo
está dado por
y
. Para establecer este ángulo, se debe considerar a
como un vector deslizante, de manera que
se pueda construir correctamente. Como en este caso el ángulo
es igual a 90°, entonces:

Además, F se representa como el producto de m y a, cuya expresión se aprecia en la ecuación 13.

Al multiplicar la aceleración angular (α) por r, se obtiene la aceleración tangencial (a), lo que se representa en la ecuación 14.

Sustituyendo las ecuaciones 12, 13 y 14, se obtuvo la ecuación 15 para determinar
, además de la ecuación 16 para la sumatoria de todos los momentos
.


La sumatoria de las m multiplicada por el
representa el momento de inercia (I) y su valor depende del caso de estudio. Para el caso de un disco sólido, según Serway y Jewett (2008), (I) se representa en la ecuación 17.

Por lo tanto,
se representa como en la ecuación 18:

Representación del torque en función de la velocidad angular
Una vez determinado
para la turbina del prototipo OTEC-CC-MX-1kWe, se calculó el
en función de la velocidad angular (
) en la ecuación 19. Para esto, se sabe que la aceleración angular (a) se representa como
con respecto al tiempo (t), como se observa en la ecuación 20.


Sabiendo que el flujo másico
se presenta como en la ecuación 21, se sustituyen las ecuaciones 18, 19 y 20 para obtener la representación de τ de la ecuación 22.

Sustituyendo
como función del radio en la ecuación 23, se obtiene la ecuación 24 para τ.

El momento par relaciona la
con
, según lo escrito en la ecuación 25.

Determinación del número de revoluciones requeridas
Con las deducciones anteriores, se pudo determinar el valor N para obtener como función del r de la turbina del turbocompresor.
Primero, se igualaron las ecuaciones 24 y 25 como se observa en la ecuación 26.

Luego, se sustituyó el valor de
, escrito en la ecuación 19, para obtener la ecuación 27.

Finalmente, se simplificó y despejó de la ecuación anterior. Así se obtuvo la ecuación 28, que permite conocer las revoluciones por minuto necesarias para alcanzar la potencia de flecha dependiendo del radio del rodete de la turbina.

Obtención del trabajo de flecha
Sustituyendo los valores de la tabla 1 en la ecuación 4, se calculó que el valor de
, bajo condiciones ideales, es de 1,59 kW.

Para la determinación del
, se consideró que el alternador tiene una eficiencia de 80 % (Labollita, 2008). Por tanto, al requerir que la
del prototipo sea de 1 kWe, se busca que la flecha otorgue 1250 W.

Se calculó el
deseado despejando la eficiencia de la ecuación 5, lo que dio un resultado de 0,78 o de 78,3 %.

Tomando en cuenta el diámetro de la tubería por la que pasa el fluido de trabajo del prototipo OTEC-CC-MX-1kWe, que es de 24,33 mm (Cerezo et al., 2018), se cotizaron turbocompresores con un diámetro de entrada similar para minimizar las pérdidas de energía.
En la tabla 2 se muestran cuatro diferentes turbocompresores y las N necesarias de cada uno para la generación de 1250 W de
. Para el cálculo de las N de los turbocompresores se utilizó la ecuación 28.
Comparación de turbocompresores de acuerdo con su diámetro y las rpm
|
En la figura 3, se comparan cuatro diferentes turbocompresores. Se observa que el valor del número de revoluciones (N) es inversamente proporcional al diámetro de entrada de la turbina; es decir, mientras mayor sea el diámetro, las revoluciones necesarias disminuyen.
Comparación de la turbina de turbocompresores de acuerdo con las rpm y el diámetro de entrada

Una vez establecida esta relación y con base en las altas revoluciones que un turbocompresor de dimensiones más pequeñas requiere para la generación de 1250 W, se concluyó que el turbocompresor más adecuado es el K16, con un diámetro de entrada de 45,9 mm, como el que se muestra en la figura 4. Cabe recalcar que con el sistema de acoplamiento se planea obtener en promedio entre 3600 y 4000 rpm, ya que los alternadores comerciales se vuelven más eficientes a estas rpm.
Figura 4
Vista frontal del turbocompresor Suotepower K16

Se realizó la curva de potencia de la turbina del turbocompresor K16 respecto a (N), utilizando la ecuación 28 (véase la figura 5). En esta figura, se observa que N es directamente proporcional a
, además de que para la generación de 1250 W se requerirán 364 650 rpm.
Figura 5
Comportamiento rpm-potencia del turbocompresor K16

Selección del sistema de acoplamiento
Para el acoplamiento, se consideraron las características de los ejes de la turbina y el alternador. El eje de la turbina tiene un diámetro de 5,6 mm y cuenta con una cuerda inversa con una longitud de 3/4 in y 0,8 mm de paso de cuerda. El alternador tiene una entrada al inicio del eje que permite introducir un dado de 5/16 in para integrarse a un sistema que permita girar el rotor.
Con la finalidad de hacer uso de la cuerda de la turbina y la entrada del alternador, se seleccionó un sistema de acoplamiento rígido de sujeción para integrar la turbina al alternador y, de esta manera, transmitir de una forma más precisa el torque. En la figura 6, se puede observar el diseño de la pieza de acoplamiento.
Figura 6
Pieza de acoplamiento. Diagrama 3D, plano y pieza manufacturada en latón

Una vez trazado el diseño del sistema de acoplamiento en el software SolidWorks, se procedió a realizar la manufactura en latón, en el taller de torno El Chilango. Las propiedades del material permiten elaborar la cuerda, aun tomando en cuenta el alto grado de precisión que implica.
Reajuste de la ecuación de la determinación del torque y obtención de las rpm requeridas
Para el reajuste de las ecuaciones del torque, se consideró el valor del momento de inercia (I) obtenido con el software SolidWorks, ya que comprende la geometría completa en lugar de un disco sólido, como se plantea en las ecuaciones utilizadas en el apartado “Análisis para la selección del turbocompresor”. En la figura 7, se presenta la geometría de la turbina realizada en el software SolidWorks y en la tabla 3 se muestra el valor del momento de inercia de la turbina.
Diagrama 3D de la turbina del turbocompresor K16 en el software SolidWorks

Para el reajuste de las ecuaciones del torque, se consideró el momento de inercia (I)como una variable conocida, puesto que el software SolidWorks comprende la geometría completa en lugar de un disco sólido, como se plantea en el apartado “Determinación del torque”. A continuación, se presenta el desarrollo del reajuste a la determinación del torque y de la obtención de rpm reales con los datos de la tabla 3.
Figura 8
Momento de inercia de la turbina del turbocompresor K16 en el software SolidWorks

Datos que se van a utilizar para el cálculo del número de rpm

La ecuación 15 del apartado “Determinación del torque” relaciona el torque
con el momento de inercia (I) y la aceleración angular (α); la ecuación 20 representa la aceleración angular en función de la velocidad angular con respecto al tiempo (t), y la ecuación 25 relaciona el torque con la potencia de flecha
y la velocidad angular (ω) en el apartado “Representación del torque en función de la velocidad angular”. Sustituyendo la ecuación 20 en la ecuación 15, obtenemos:

Se igualan las ecuaciones 25 y 29: 
Se despeja (ω) de la ecuación 30:

Se realiza el análisis dimensional para corroborar que las unidades sean las correctas para la velocidad angular:

Se sustituyen los valores de la tabla 4 en la ecuación 31:

Por último, se convierten los
a rpm:

Esto quiere decir que el turbocompresor K16 requiere un total de 73 482,2206 rpm para producir 1250 W. Por tanto, no existe un riesgo de fractura o desgaste, puesto que se encuentra dentro de su rango de trabajo normal. En la figura 9, se puede observar el comportamiento de la potencia de flecha de la turbina en relación con las rpm generadas.
Comportamiento rpm-potencia de la turbina del turbocompresor K16

Análisis de semejanza del gas refrigerante R-152a y el aire a 1 atm de presión a 25 °C
Considerando la situación actual del prototipo, en la que no se pueden realizar pruebas de funcionamiento porque no están terminadas las instalaciones de las tuberías de PVC para los sistemas auxiliares ni de la tubería de cobre para el gas refrigerante R-152a, ni hay la posibilidad de un cambio de laboratorio que cuente con la instalación eléctrica para los equipos del prototipo, se llegó a la conclusión de realizar las pruebas de funcionamiento con condiciones semejantes, pero utilizando aire a 1 atm de presión a 25 °C de temperatura. Por ello, se decidió realizar un análisis de semejanza entre el gas refrigerante R-152a y el aire a 1 atm a 25 °C. Cabe destacar que ambos fluidos presentan propiedades diferentes y la única variable del aire que se puede controlar es la velocidad a la que ingresa al sistema, por lo que se busca que, al realizar las pruebas de funcionamiento, los resultados obtenidos con aire sean semejantes a los obtenidos con gas refrigerante R-152a variando únicamente la velocidad de entrada del aire.
Para realizar el análisis de semejanza, en primer lugar, se utilizará el número adimensional de Reynolds (Re), cuyo fenómeno predomina en el prototipo, por lo que se obtendrá para el gas refrigerante R-152a. Después, se determinará la velocidad del aire a 1 atm a 25 °C que es necesaria para igualar el número de Reynolds provisto por el gas refrigerante y cuyo resultado indicará a qué velocidad se necesita ingresar el aire para producir resultados semejantes a los producidos por el R-152a.
Cálculo del número de Reynolds para el gas refrigerante R-152a
Para el cálculo del número de Reynolds para el gas refrigerante R-152a, se consideraron los parámetros de presión y temperatura descritos en Cerezo et al. (2018) y se obtuvo la viscosidad dinámica del gas refrigerante en la entrada de la turbina utilizando el software CoolProp de Python (Bell et al., 2014), como se ilustra en la tabla 4.
Datos del gas refrigerante R-152a a la entrada de la turbina

Nota. Elaboración propia con datos obtenidos de Cerezo et al. (2018) mediante el software CoolProp.
Çengel y Cimbala (2018) señalan que la ecuación del número de Reynolds se obtiene de la siguiente manera:

Se sustituyen los valores del gas refrigerante R-152a de la tabla 4 en la ecuación 32:

Cálculo de la velocidad del aire a 1 atm a 25 °C
Para el cálculo de la velocidad de entrada del aire a 1 atm a 25 °C, se consideraron algunos parámetros como la viscosidad dinámica y la densidad del aire obtenida de Çengel y Cimbala (2018), como se ilustra en la tabla 5.
Datos del aire a 1 atm a 25 °C

Despejando la velocidad (v) de la ecuación 32:

Se realiza el análisis dimensional para corroborar que las unidades sean las correctas para la velocidad:

Se sustituyen los valores del aire a 1 atm a 25 °C de la tabla 5 en la ecuación 33:

Esto quiere decir que si ingresamos aire a 1 atm de presión y 25 °C a una velocidad de 30,6019 m/s tendríamos resultados semejantes a los que se logran si se ingresara el gas refrigerante R-152a a una velocidad de 18,9 m/s, parámetro establecido para el prototipo en etapas previas.
Elementos auxiliares seleccionados para la generación eléctrica
En este apartado se describen los elementos auxiliares que se implementarán para la conversión de energía mecánica a energía eléctrica.
Alternador
El alternador transformará la energía mecánica producida por la flecha del turbocompresor a energía eléctrica. En la figura 10, se puede ver el alternador seleccionado para la generación eléctrica, que es el de un automóvil marca Chevy, modelo 2004. Las especificaciones del fabricante indican la generación de 12 V a 105 A obteniendo 1250 W de potencia eléctrica. Se consideró de esta manera debido a que la eficiencia de los alternadores es de un 80 %, lo que genera un total de 1000 W de potencia eléctrica.
Figura 10
Alternador de automóvil marca Chevy, modelo 2004

Desacoplamiento de la polea del alternador
Debido a que el sistema de acoplamiento seleccionado requiere únicamente de la entrada hexagonal con medida de 5/16 in, la polea acoplada al eje del alternador debe ser retirada, puesto que únicamente añade peso al eje provocando una mayor resistencia al giro. En la figura 11, se puede apreciar el alternador con la polea y el alternador sin la polea.
Figura 11
Alternador para automóvil marca Chevy, modelo 2004, con polea (a la izquierda) y sin polea (a la derecha)

Batería
Es necesaria una batería capaz de almacenar 12 V de corriente directa a 105 A de energía eléctrica producida por el alternador anteriormente mencionado. En la figura 12, se muestra la batería seleccionada para el almacenamiento de energía eléctrica: es de la marca Trojan, modelo T-1275 Master-Vent.
Figura 12
Batería Trojan T-1275

Inversor
Por último, para convertir los 12 V de corriente directa a 110 V de corriente alterna, es necesario un inversor. El inversor seleccionado fue de la marca Duralast de 1000 W de potencia eléctrica, como se aprecia en la figura 13.
Figura 13
Inversor Duralast de 1000 W

Pruebas de laboratorio
Para poder efectuar las pruebas experimentales, se acopló el eje del turbocompresor al eje del alternador y la entrada de la turbina del turbocompresor a un compresor de aire de 9,65 bar de capacidad. Las pruebas experimentales se realizaron a una presión máxima de 9 bar —debido a recomendaciones del fabricante para no dañar el equipo— con el fin de suministrar el fluido necesario para el accionamiento del mecanismo. Una vez que el aire entra a la turbina del turbocompresor y es expandido, es dirigido a la sección de descarga de la carcasa de la turbina (véase la figura 14).
Figura 14
Turbocompresor acoplado al alternador conectado a la batería para pruebas experimentales

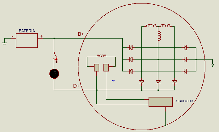
Las conexiones realizadas en el alternador para corroborar la carga de la batería se representan en el diagrama eléctrico de la figura 15.
Diagrama de conexión eléctrica para cargar una batería utilizando un alternador para pruebas de banco

Nota. De Cómo funciona un alternador y cómo usarlo de generador sin modificarlo (7:43), por Recalibrando, 2019, YouTube (https://youtu.be/tb6saM6C7F4).
El diagrama encerrado por un círculo representa al alternador con su regulador acoplado. La terminal con la simbología B+ representa la salida para la carga de corriente e irá conectada directamente a la terminal positiva de la batería Trojan. En cambio, la terminal con la simbología D+ representa el circuito de excitación y se conecta de forma paralela a la conexión de la terminal B+, con la diferencia de que esta irá conectada a una lámpara de 12 V que se encenderá inmediatamente simulando la luz testigo del tablero de un automóvil y se deberá apagar al momento de alcanzar las rpm necesarias para inducir el alternador, creando un campo magnético que propiciará un potencial eléctrico positivo a la batería.
RESULTADOS
Los parámetros que se tomaron en cuenta para la obtención de los resultados fueron los siguientes: rpm, velocidad del aire a la entrada del sistema y temperatura del aire a la entrada del sistema. De estos, el parámetro más importante es el rpm debido al funcionamiento del turbocompresor, por lo que nos permitirá entender el desempeño del mismo. Es necesario destacar que las mediciones se hicieron por separado, ya que al medir la velocidad del aire a la entrada disminuían considerablemente las rpm, porque el instrumento de medición obstruía el paso del aire a la entrada de la turbina. Asimismo, todas las mediciones fueron realizadas en un ciclo de 80 segundos, tomando lectura cada 5 segundos, pues el compresor de aire no mantiene una presión constante de 9 bar, sino que disminuye hasta los 6 bar, accionándose y regresando a la presión inicial; por eso, se tomó ese periodo como un ciclo.
En la figura 16, se presentan los resultados de las rpm obtenidas respecto al tiempo. Como se puede observar, la turbina acoplada al generador eléctrico alcanza un máximo de 3400 rpm a los 25 segundos y comienza a descender debido a la caída de presión del compresor de aire.
Figura 16
Comportamiento de las rpm con relación al tiempo

Dicho lo anterior, mientras mayor sea el número de rpm obtenidas, mayor será la corriente eléctrica generada, debido a las condiciones del generador eléctrico. Cabe recalcar que todas las pruebas realizadas poseen un comportamiento similar y las variaciones se pueden atribuir al compresor de aire, que no mantiene una presión constante.
Las rpm del turbocompresor acoplado al alternador fueron medidas utilizando un tacómetro láser de la marca Monarch, el cual tiene ±0,01 % de error en las mediciones. El tacómetro funciona por medio de un emisor y un receptor de luz, por lo que fue necesario colocar una superficie reflejante en la pieza de acoplamiento, capaz de recibir y enviar el destello de luz al tacómetro. Asimismo, tanto la velocidad de entrada del aire al sistema como su temperatura fueron medidas utilizando un anemómetro de hilo caliente de la marca CFM Extech, que tiene una precisión de medición de la velocidad del aire de ±5 % + dígitos y ±0,8 oC de precisión para medir la temperatura, cuyo funcionamiento se basa en un puente de Wheatstone.
A pesar de no lograr controlar los parámetros establecidos para alcanzar la generación de 1250 W de potencia de flecha, el turbocompresor llegó a un máximo de
34 800 rpm sin estar acoplado al generador, con una potencia de flecha de 280,3521 W. Y, al estar acoplado, el generador alcanzó 3400 rpm; de mantener constante este número de rpm, se tendría una intensidad de corriente de 104,6 A, con lo que se obtendría una potencia de 1255,2 We, según datos del proveedor (véase la figura 17).
Figura 17
Curva de comportamiento del alternador

Como se puede observar, las rpm obtenidas no fueron constantes debido a que la presión en el compresor de aire disminuía. Esto se debe a que, mientras se llevaban a cabo las pruebas, el fluido escapaba al medioambiente, lo cual propiciaba que el generador no mantuviera las rpm constantes y, por lo tanto, no se obtenía la generación eléctrica esperada. Por eso, se propone el uso del nitrógeno, por su fácil estabilidad de presión a diferentes temperaturas, así como la implementación de una bomba de aire que sea capaz de mantener la velocidad constante. Además, parámetros como la longitud o el tipo de acoplamiento entre el turbocompresor y el generador pueden ser modificados para obtener resultados diferentes, ya que la distancia y la geometría de este acoplamiento influyen de forma directa en la generación de energía eléctrica, al ser esta la que transmite el torque del turbocompresor al generador.
CONCLUSIONES
El sistema OTEC tiene un gran campo de aplicación en las condiciones del mar Caribe mexicano. Por otro lado, los turbocompresores, al ser turbomáquinas diseñadas para los vehículos de combustión interna, poseen características que les permiten funcionar a altas temperaturas para aprovechar los gases de escape y transformarlos en energía mecánica por medio del giro de la turbina. Dada la necesidad del prototipo de planta OTEC-CC-MX-1kWe de emplear una turbina, que funciona con un fluido de trabajo, se vuelve factible el uso de una turbina de un turbocompresor, haciendo una analogía del fluido de trabajo con los gases de escape de un motor de combustión interna.
Se seleccionó el turbocompresor K16 por tener un mayor diámetro de rodete; este requiere de un menor número de rpm para alcanzar la potencia de flecha de 1250 W. De la misma manera, se escogieron los elementos secundarios para la generación de energía eléctrica: alternador Chevy, modelo 2004; batería Trojan T-1275, y un inversor a 1000 W.
Cabe recalcar que las pruebas se hicieron con un compresor de aire de 9,65 bar de capacidad, pero las pruebas experimentales se llevaron a cabo a una presión máxima de 9 bar, debido a recomendaciones del fabricante para no dañar el equipo; con esto se buscaba obtener una velocidad del aire de 30,6 m/s. Sin embargo, debido a los límites de presión antes mencionados, el aire únicamente alcanzó una velocidad que oscilaba desde los 16,9 m/s hasta los 18,4 m/s, provocando una reducción del 40 % en la velocidad de entrada del aire a la turbina del turbocompresor. Por tal motivo, la velocidad del aire calculada en el apartado “Análisis de semejanza del gas refrigerante R-152a y el aire a 1 atm de presión a 25 °C” no se pudo alcanzar, ya que el compresor de aire no mantiene la presión necesaria para alcanzar dicha velocidad, además de no mantener la temperatura constante. Esto provoca cambios en las propiedades del aire y, a su vez, impide el control de ambos parámetros a la entrada de la turbina del turbocompresor.
Sin embargo, si se mantuvieran constantes las rpm conseguidas durante las pruebas suministrando aire a la turbina, se obtendría una generación de 1255,2 We, lo cual cumple con los objetivos planteados para el proyecto.
En trabajos futuros, se realizará la integración al prototipo de planta OTEC-CC-MX-1kWe, junto con los elementos secundarios para la generación de energía eléctrica limpia (en comparación con otras, como la energía proveniente de fuentes fósiles) y renovable, pues se obtiene de una fuente que no se agota. Posteriormente, se realizará un diseño de experimentos para determinar los parámetros que intervienen de forma directa en el comportamiento del turbocompresor y, de esta manera, se conseguirán resultados más precisos.
REFERENCIAS
Bell, I. H., Wronski, J., Quoilin, S., & Lemort, V. (2014). Pure and pseudo-pure fluid thermophysical property evaluation and the open-source thermophysical property library CoolProp. Industrial & Engineering Chemistry Research, 53, 2489-2508. DOI: 10.1021/ie4033999
Brito, L. M., Cerezo, A. E., Pérez, O. S., Pérez, V. J., Romero, M. V., & Sánchez, N. M. (2019). Análisis del funcionamiento y eficiencia de una turbina de conversión de energía térmica oceánica (OTEC) por simulación mediante el programa ANSYS Fluent [Informe técnico]. Universidad del Caribe.
Campos, A. (2017). Diseño y construcción de una turbina de vapor y su adaptación a un generador eléctrico [Tesis de licenciatura, Universidad Nacional Autónoma de México]. Repositorio Institucional UNAM. http://132.248.9.195/ptd2017/noviembre/0768562/Index.html
Çengel, Y. A., & Cimbala, J. M. (2018). Mecánica de fluidos: fundamentos y aplicaciones (4.a ed.). McGraw-Hill Interamericana.
Cerezo, A. E., Amaro, R. D., Avilés, E. E., García, J. L., Virgen, S. J., Romero, M. V., & Tobal, C. J. (2019). Características técnicas de los componentes del prototipo OTEC-CC-MX-1kWe [Manuscrito no publicado]. CEMIE-Océano.
Cerezo, A. E., Romero, M. V., Sánchez, N. M., Bárcenas, G. J., Camarillo, C. B., Cacciari, C. G., & Rosado, C. E. (2018). Desarrollo de prototipos y microplantas para la obtención y almacenamiento de energía a partir de gradientes de temperatura específicamente diseñados [Manuscrito no publicado]. CEMIE-Océano.
Domínguez, G. P. (2016). Análisis del material y predicción de falla de la microturbina de un turbocargador modificado para un ciclo geotérmico [Tesis de maestría, Universidad Nacional Autónoma de México]. Repositorio Institucional UNAM. http://132.248.9.195/ptd2016/agosto/0750098/Index.html
Extech Instruments. (2005). Manual de operador. Termo anemómetro PCM de alambre caliente para servicio pesado. Modelo 407119A. Final Test. http://www.finaltest.com.mx/v/vspfiles/assets/datasheet/407119A_UMsp.pdf
Garduño, R. E., García, H. A., Rodríguez, C. Y., Bárcenas, G. J., Alatorre, M. M., Cerezo, A. E., Tobal, C. J., Romero, M. V., & Silva, C. R. (2017). Conversión de energía térmica oceánica (OTEC). CEMIE-Océano.
Hibbeler, R. C. (2010). Ingeniería mecánica. Estática (12.a ed.). Prentice Hall.
Labollita, S. (2008). Diseño de generadores eléctricos de muy alta velocidad de giro. Instituto Balseiro; Comisión Nacional de Energía Atómica; Universidad Nacional del Cuyo. https://www.sistemamid.com/panel/uploads/biblioteca/
2014-07-04_12-30-46106136.pdf
Monarch Instrument. (2004). Manual de instrucciones. Pocket Laser Tach 200. https://monarchserver.com/Files/pdf/1071-4838-410%20PLT200%20Span.pdf
Mora, J. M. (2016). Acoplamiento de un turbocompresor a un ciclo geotermoeléctrico de baja potencia [Tesis de licenciatura, Universidad Nacional Autónoma de México]. Repositorio Institucional UNAM. http://132.248.9.195/ptd2016/marzo/0741818/Index.html
Norton, R. L. (2011). Diseño de máquinas. Un enfoque integrado (4.a ed.). Pearson.
Recalibrando. (2019, 7 de noviembre). Cómo funciona un alternador y cómo usarlo de generador sin modificarlo [Video]. YouTube. https://youtu.be/tb6saM6C7F4
Serway, R., & Jewett, J. (2008). Física para ciencias e ingeniería (7.a ed., vol. 1). Cengage Learning.
Wong, C. S., Meyer, D., & Krumdieck, S. (2013, 17-20 de noviembre). Selection and conversion of turbocharger as turbo-expander for organic Rankine cycle (ORC). 35th New Zealand Geothermal Workshop: 2013 Proceedings, Rotorua, Nueva Zelanda. https://www.geothermal-energy.org/pdf/IGAstandard/NZGW/2013/Wong_Final.pdf